653 B
653 B
LCD Screen
Details
-
Hitachi LMG7510PMFR
- Unable to find a data sheet
- 240 x 160
- No obvious suppliers, likely will need donation screens from broken Siena devices
-
Connected with a 16 pin FPC cable, 1.0mm pitch, 50mm long
- Available on aliexpress
- One end is soldered to the LCD daughter boards and the other connects to the main board by a ?molex connector
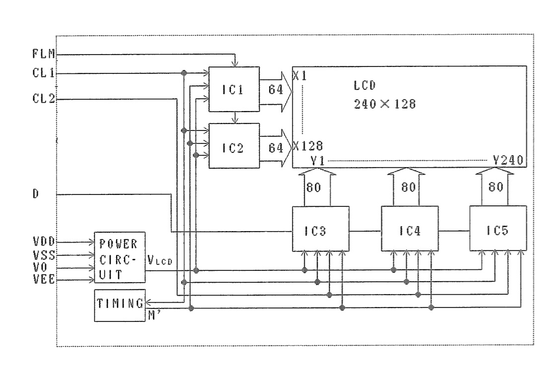
Block Diagram (from the lmg7410 not the Siena lmg7510)
- As the LMG7510 is 240x160 it is suspected that IC1 and IC2 provide 80 lines each (to a total of 160) and then IC3 - IC5 provide 80 each
