Files
siena_hardware/lcd_screen.md
2026-02-05 08:41:53 +00:00

653 B

LCD Screen

Details

  • Hitachi LMG7510PMFR

    • Unable to find a data sheet
    • 240 x 160
    • No obvious suppliers, likely will need donation screens from broken Siena devices
  • Connected with a 16 pin FPC cable, 1.0mm pitch, 50mm long

    • Available on aliexpress
    • One end is soldered to the LCD daughter boards and the other connects to the main board by a ?molex connector

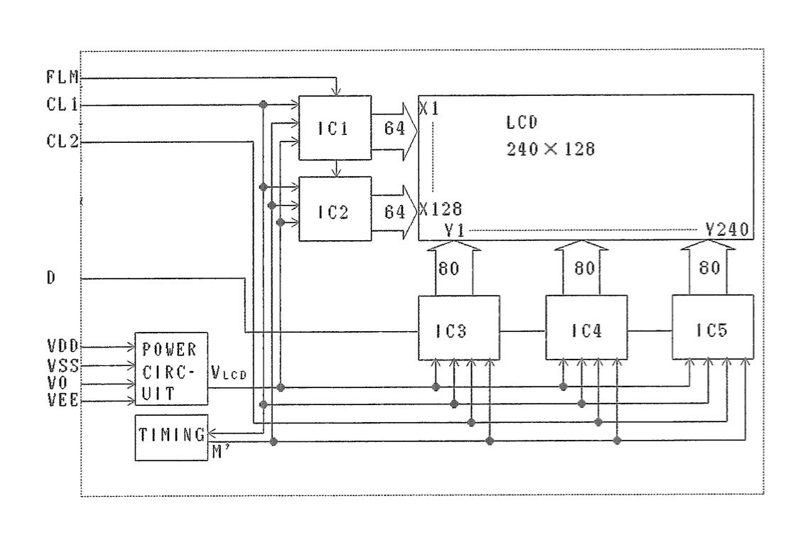
Block Diagram (from the lmg7410 not the Siena lmg7510)

blockdiagram from 7410

  • As the LMG7510 is 240x160 it is suspected that IC1 and IC2 provide 80 lines each (to a total of 160) and then IC3 - IC5 provide 80 each